❄ Office CLOSED January 1, 2026  |  Happy New Year from R & P Carriages! ❄ Office CLOSED January 1, 2026  |  Happy New Year from R & P Carriages!
FAMILY OWNED & OPERATED

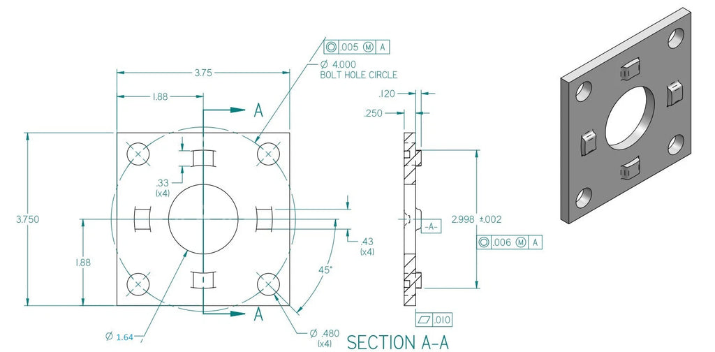
2000# Trailer Axle Brake Backing Plate Mount Flange 1.64" size spindle axel (004-034-00)

Need A Trailer Part®

$10.66
In Stock
Ask a Pro

2,000 lb Trailer Axle Brake Backing Plate Mount Flange – 1.64″ Spindle Size

Part Number / SKU: 004-034-00
Standard 4-bolt brake mounting flange for 2,000 lb trailer axles with 1.64″ spindle diameter – fits most light-duty boat, utility, and cargo trailers.

About This Product

The Trailer Axle Brake Backing Plate Mount Flange provides a solid, precise mounting surface for brake assemblies on 2,000 lb axles. This 4-bolt welded-on flange is machined to fit axles using a 1.64″ spindle shoulder, ensuring correct brake alignment and reliable braking performance.

Features

  • 4-bolt pattern brake mounting flange for 2,000 lb axles
  • Weld-on design fits 1.64″ spindle shoulder diameter
  • Accepts standard 7″ electric or hydraulic backing plates
  • Machined for square, true brake plate alignment
  • Forged-steel construction with corrosion-resistant black finish
  • Ideal for utility, cargo, and small boat trailers

Specifications

Specification Detail
Part Number / SKU 004-034-00
Axle Capacity 2,000 lb
Spindle Shoulder Diameter 1.64″
Mount Type Weld-on Brake Flange
Bolt Pattern 4-Bolt Standard (7″ Brake)
Material Forged Steel
Finish Black Coated / Unpainted Weld Surface
Outer Diameter ≈ 2.875″
Thickness 0.25″ (¼″ Steel)
Sold As Individual Flange (1 pc)

Fitment & Applications

  • Fits most 2,000 lb trailer axles using 7″ brake assemblies
  • Works with electric or hydraulic brake systems
  • Compatible with Dexter, Lippert, Rockwell, and similar spindle profiles (1.64″ shoulder)
  • Use for replacement or new-axle fabrication

Note: Welding should be performed by a qualified technician. Verify spindle alignment and brake offset prior to final weld. Sold individually – order two for a complete axle.