![]() 6,000# Build Your Own Axle Stub Kit w/6 Lug Idler Hubs and #42 FLANGED Round Spindles Part Number: STUB-42FZ-H655-ROIncluded In This Kit: Part Number:
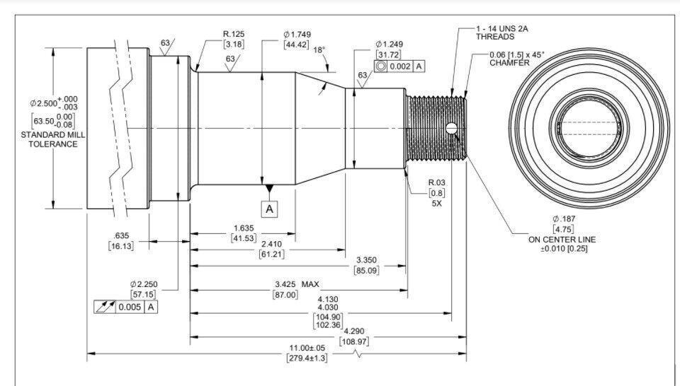
-(1) #42 2.5" Round EZ LUBE Spindle Brake Flg --SP-25042FZ -(1) Round Washer----------------------------------------SW1000 -(1) Castle Nut----------------------------------------------006-001-00 -(1) Cotter Pin-----------------------------------------------165649 -(1) 6x5.5 6 Lug Idler Hub--------------------------------82655-1 -(1) 6,000# Bearing Kit w/ Dust Cap--------------------HD-6000-Kit 6,000# Bearing Kit Included:(1) 2.44" EZ Lube Dust Cap (1) 1.25" ID Bearing (outer) (1) 1.75" ID Bearing (inner) (1) 2.25" Seal (6) 1/2-20" Lug Nuts Spindle Specs:
- 11.75" Zerk to Bottom
- 2.5" Shaft Diameter
- 3.5" Length of Weldable Shaft
- 1" Spindle Threads
- 5 Bolt Brake Mounting Flange (for future brakes)
|
Shipping
We ship quickly and carefully, with tracking provided on every order. Most items ship the same or next business day. Your parts will arrive safely and on time, ready to use.
Returns & Guarantee
Your satisfaction is guaranteed. Returns, refunds, and exchanges are accepted — no hassle. We stand behind every part we sell, so you can purchase with confidence.
Committed to Customer Service
At R and P Carriages, we believe in treating our customers like family. Whether you need a small replacement part or a complete trailer service, we’re here to help with friendly, expert support every step of the way.
