
7,000# Build Your Own Axle Kit w/6 Lug Idler Hubs and #42 FLANGED Round Spindles
Part Number: BYOAK-42FZ-H655-RO
Included In This Kit:
Included In This Kit:
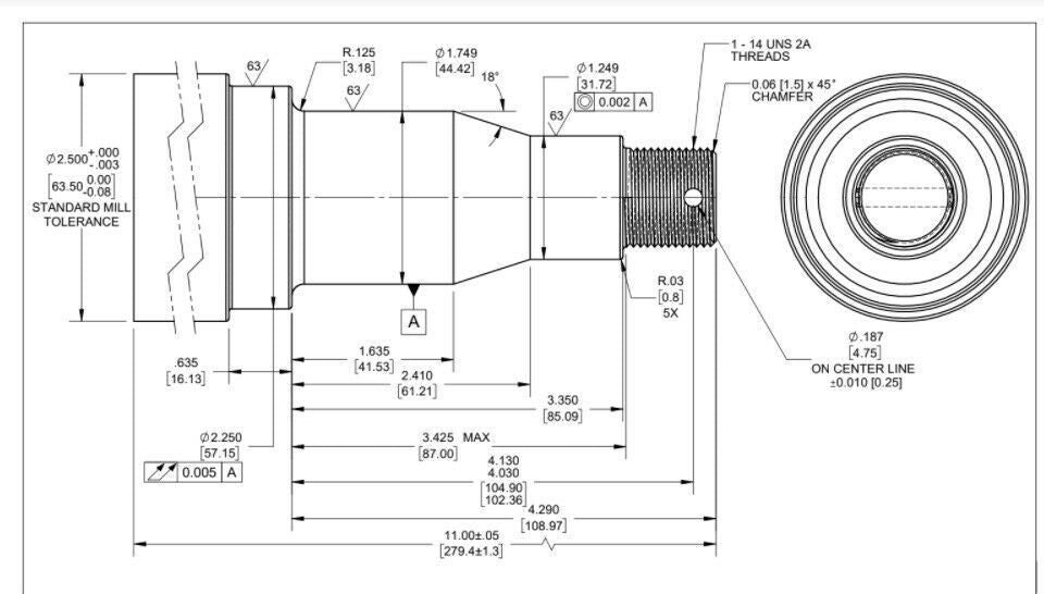
-(2) #42 2.5" Round EZ LUBE Spindles Brake Flg --SP-25042FZ
-(2) Round Washers----------------------------------------SW1000
-(2) Castle Nuts----------------------------------------------006-001-00
-(2) Cotter Pins-----------------------------------------------165649
-(2) 6x5.5 6 Lug Idler Hubs--------------------------------82655-1
-(2) 7,000# Bearing Kit w/ Dust Cap---------------------HD-7000-Kit
Each 7,000# Bearing Kit Included:
-(2) Round Washers----------------------------------------SW1000
-(2) Castle Nuts----------------------------------------------006-001-00
-(2) Cotter Pins-----------------------------------------------165649
-(2) 6x5.5 6 Lug Idler Hubs--------------------------------82655-1
-(2) 7,000# Bearing Kit w/ Dust Cap---------------------HD-7000-Kit
Each 7,000# Bearing Kit Included:
(1) 2.71" EZ Lube Dust Cap----------------021-042-02
(1) 1.25" Bearing-------------------------------14125A
(1) 1.75" Bearing---------------------------------25580
(1) 2.25" x 3.376" Seal---------------------------10-36
Spindle Specs:
- 11.75" zerk to bottom
- 2.50" shaft diameter on the bottom
- 3.5" length of weldable part of shaft
- 1" spindle threads
- 5 bolt brake mounting flange (for future brakes)