Hours: M–F 9:00AM–5:00PM CST
Sat 9:00AM–3:00PM



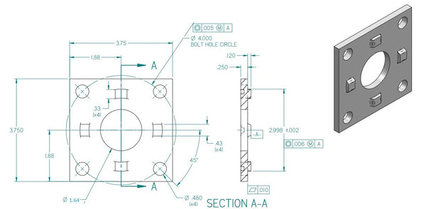
2000# Trailer Axle Brake Backing Plate Mount Flange 1.64" size spindle axel (004-034-00)

Need A Trailer Part®

Regular price $10.66

2,000 lb Trailer Axle Brake Backing Plate Mount Flange – 1.64″ Spindle Size

Part Number / SKU: 004-034-00
Standard 4-bolt brake mounting flange for 2,000 lb trailer axles with 1.64″ spindle diameter – fits most light-duty boat, utility, and cargo trailers.

About This Product

The Trailer Axle Brake Backing Plate Mount Flange provides a solid, precise mounting surface for brake assemblies on 2,000 lb axles. This 4-bolt welded-on flange is machined to fit axles using a 1.64″ spindle shoulder, ensuring correct brake alignment and reliable braking performance.

Features

  • 4-bolt pattern brake mounting flange for 2,000 lb axles
  • Weld-on design fits 1.64″ spindle shoulder diameter
  • Accepts standard 7″ electric or hydraulic backing plates
  • Machined for square, true brake plate alignment
  • Forged-steel construction with corrosion-resistant black finish
  • Ideal for utility, cargo, and small boat trailers

Specifications

Specification Detail
Part Number / SKU 004-034-00
Axle Capacity 2,000 lb
Spindle Shoulder Diameter 1.64″
Mount Type Weld-on Brake Flange
Bolt Pattern 4-Bolt Standard (7″ Brake)
Material Forged Steel
Finish Black Coated / Unpainted Weld Surface
Outer Diameter ≈ 2.875″
Thickness 0.25″ (¼″ Steel)
Sold As Individual Flange (1 pc)

Fitment & Applications

  • Fits most 2,000 lb trailer axles using 7″ brake assemblies
  • Works with electric or hydraulic brake systems
  • Compatible with Dexter, Lippert, Rockwell, and similar spindle profiles (1.64″ shoulder)
  • Use for replacement or new-axle fabrication

Note: Welding should be performed by a qualified technician. Verify spindle alignment and brake offset prior to final weld. Sold individually – order two for a complete axle.



Shipping

We ship quickly and carefully, with tracking provided on every order. Most items ship the same or next business day. Your parts will arrive safely and on time, ready to use.

Returns & Guarantee

Your satisfaction is guaranteed. Returns, refunds, and exchanges are accepted — no hassle. We stand behind every part we sell, so you can purchase with confidence.

Committed to Customer Service

At R and P Carriages, we believe in treating our customers like family. Whether you need a small replacement part or a complete trailer service, we’re here to help with friendly, expert support every step of the way.