(Two) 2000 Pound Weld-On Brake Backing Plate Mounting Brackets
Part Number - 4-34-LOTOF2
4 Bolt Flange Needed to Add Brakes To A Trailer.
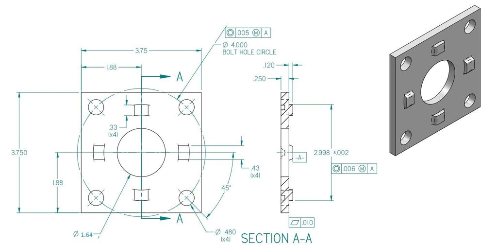
Must Be Welded On
Backing Plate Mounts to Bracket By 4 Bolts
Approximately 1-5/8" Center Hole
Bracket Measures 3-3/4" x 3-3/4
Distance Between Holes (center to center) ABOUT 2-7/8"
Most modern 7" and 10" Electric Drum brakes use the same standard 4 bolt square flange. (7" brakes are used on 2000# axles, 10" brakes are used on 3500# Axles)
The 12"x 2" drum brakes use the Round 5 Bolt Flange (Commonly used on 5200#, 6000# and 7000# axles).
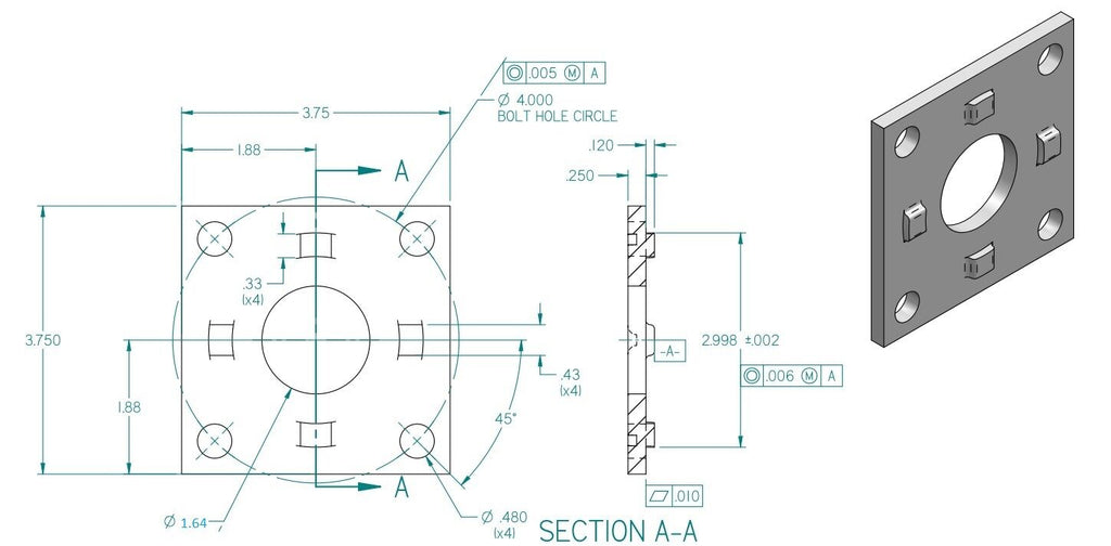
Must Be Welded On
Backing Plate Mounts to Bracket By 4 Bolts
Approximately 1-5/8" Center Hole
Bracket Measures 3-3/4" x 3-3/4
Distance Between Holes (center to center) ABOUT 2-7/8"
Most modern 7" and 10" Electric Drum brakes use the same standard 4 bolt square flange. (7" brakes are used on 2000# axles, 10" brakes are used on 3500# Axles)
The 12"x 2" drum brakes use the Round 5 Bolt Flange (Commonly used on 5200#, 6000# and 7000# axles).

Shipping
We ship quickly and carefully, with tracking provided on every order. Most items ship the same or next business day. Your parts will arrive safely and on time, ready to use.
Returns & Guarantee
Your satisfaction is guaranteed. Returns, refunds, and exchanges are accepted — no hassle. We stand behind every part we sell, so you can purchase with confidence.
Committed to Customer Service
At R and P Carriages, we believe in treating our customers like family. Whether you need a small replacement part or a complete trailer service, we’re here to help with friendly, expert support every step of the way.