
Equalizer for 2" Wide Slipper Springs 13" Long 7/8" Center Hole W/ Nuts & Bolts
Part Number - EQ-13-LN-Kit
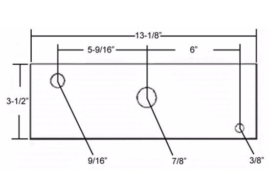
13-1/8" Long equalizer connects slipper springs on tandem- or triple-axle trailers and allows for enough movement between the axles to keep the ride smooth and the load undisturbed. Fits springs with 9/16" diameter eye.
Kit Includes:
(1) 007-001-01: 7/8" Grease Bolt
(1) 006-111-00: 7/8" Nut for 7/8" Grease Bolt
(1) 91635B: 9/16"-18 x 3-1/2" Shackle Bolt (Extra Long)
(1) SB-LN-9: 9/16" Lock Nut for 9/16" Shackle Bolt
(1) EQ-13: 13" Equalizer
Features:
Connects slipper springs on dual- or triple-axle trailers
Slip arched end of front spring into equalizer so that it rests on keeper bolt
Attach rear-most spring with shackle bolt through the eye
Suspends from center hanger
Transfers load and sudden impacts from one axle to another by permitting movement between the axles
Distributes weight evenly
Constructed of high-quality, 1/4" thick, hot rolled steel
Results in smooth ride for trailer
Specs:
Fits 2" wide slipper leaf springs
Center bolt hole diameter: 7/8"
Side bolt hole diameter (for mounting spring): 9/16" diameter
Side bolt hole diameter (for keeper bolt): 3/8"
Dimensions: see diagram
FREE SHIPPING
Shipping
We ship quickly and carefully, with tracking provided on every order. Most items ship the same or next business day. Your parts will arrive safely and on time, ready to use.
Returns & Guarantee
Your satisfaction is guaranteed. Returns, refunds, and exchanges are accepted — no hassle. We stand behind every part we sell, so you can purchase with confidence.
Committed to Customer Service
At R and P Carriages, we believe in treating our customers like family. Whether you need a small replacement part or a complete trailer service, we’re here to help with friendly, expert support every step of the way.