
Pair Trailer Suspension Rebuilt Kit Slipper Spring 12" Equalizer Bushings Bolts
Part Number - EQ-12-REBUILD-LN-KIT
This pair of 12" Long equalizer connects slipper springs on tandem-axle trailers and allows for enough movement between the axles to keep the ride smooth and the load undisturbed.
Fits springs with 9/16" diameter eye.
Features:
Connects slipper springs on dual-axle trailers
Slip arched end of front spring into equalizer so that it rests on keeper bolt
Attach rear-most spring with shackle bolt through the eye
Suspends from center hanger
Transfers load and sudden impacts from one axle to another by permitting movement between the axles
Distributes weight evenly
Constructed of high-quality, 1/4" thick, hot rolled steel
Results in smooth ride for trailer
Kit Includes:
2 X 007-001-00: 7/8" Grease Bolt
2 x 006-111-00: 7/8" Nut for 7/8" Grease Bolt
8 x 91635B: 9/16"-18 x 3-1/2" Shackle Bolt (Extra Long)
8 x SB-LN-9: 9/16" Lock Nut for 9/16" Shackle Bolt
4 x NBI-2566 Bushings 9/16 x 11/16 x 2
2 x EQ-12: 12" Equalizer
Specs:
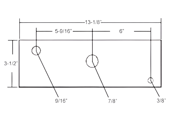
Fits 2" wide slipper leaf springs
Center bolt hole diameter: 7/8"
Side bolt hole diameter (for mounting spring): 9/16" diameter
Side bolt hole diameter (for keeper bolt): 9/16"
Dimensions: see diagram
This Listing is Priced for 2 (two) EQ-12
(12" long) Center Pivot Equalizers
2 x Pivot bolts and nuts for the Equalizers
(12" long) Center Pivot Equalizers
2 x Pivot bolts and nuts for the Equalizers
8 x 9/16 Bolts & 2 Nuts (4 for springs, 4 keeper bolts)
4 Replacement nylon Bushings for Spring Eyes
4 Replacement nylon Bushings for Spring Eyes