![]() Tandem Trailer Axle Suspension Rebuild Kit with GREASE TYPE Wet Bolts and 3 1/8 Shackle Straps We work on trailers in our facility every day! The number one problem we see is worn out suspension! There is no way to grease them! Now, with this NEW kit, the bolts actually pump grease right into the bushings! AMAZING!
This is a kit to change all the "wear parts" on a standard tandem axle trailer (4,000 # GVW up to 14,000# GVW) .
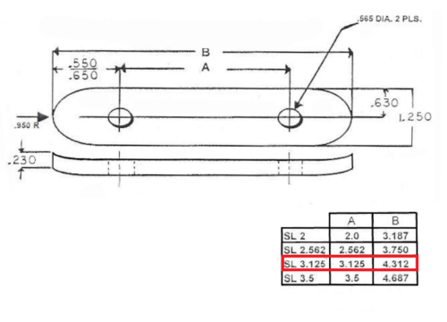
This is for standard "Eye to Eye " Springs, not "slipper" springs (bolt on one end of spring only), For standard 1 3/4" wide springs.
This Kit includes GREASABLE WET BOLTS. Tired of replacing the suspension bolts on your trailer? With these wet bolts, you could add THOUSANDS of miles on to your trailer. And remember, we actually INSTALL what we sell, so if you have questions, just ask!
Kit consist of:
14 - 9/16" x 3" Hardened "Wet Bolts" 14 - 9/16" locking 9/16" nuts 14 - New Nylon Spring Bushings 8 - New Spring Shackle Straps 3.125" |
