
250# - LEFT Torsion 1/2 axle 5 lug Motorcycle Trailer Camper Short Trike Half
Part Number - 1449546
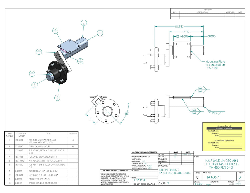
Has 5 bolt hub (common 5 x 4.5" bolt circle)
These are the same axles used on many of the factory built small pull behind motorcycle trailers.
This is good for a motorcycle pull along trailer and more. Just bolt it onto your frame and your are set! At 500 pound capacity per pair, it is perfect for smaller light trailers, and with the smoother ride of the Rubber Torsion axles, you won't get that bouncy jiggy ride like you get from leaf springs!
This hub uses STANDARD 1" bearings and 1/1/4" Seals, used on most standard 2000# trailer axles! Getting replacement parts are easy at any NAPA or other auto parts store!
Yes, common USA bearing, seal and lug nut sizes, not import oddball size stuff!
- 4x4 mount plate
- 3' center to center hole distance, 3/8" holes
- over all length is 14 1/2"
- 3/4" bracket is attached to the hub
"Arm" start angle is 45 degree down.
Includes 5 Lug Nuts.
Shipping
We ship quickly and carefully, with tracking provided on every order. Most items ship the same or next business day. Your parts will arrive safely and on time, ready to use.
Returns & Guarantee
Your satisfaction is guaranteed. Returns, refunds, and exchanges are accepted — no hassle. We stand behind every part we sell, so you can purchase with confidence.
Committed to Customer Service
At R and P Carriages, we believe in treating our customers like family. Whether you need a small replacement part or a complete trailer service, we’re here to help with friendly, expert support every step of the way.