Hours: M–F 9:00AM–5:00PM CST
Sat 9:00AM–3:00PM



Dexter Electric-Hydraulic Disc Brake Actuator 1600# Pump Trailer Axle 10k 12K (K71-651-00)

Dexter

Regular price $1,160.01

Dexter Electric Over Hydraulic Brake Actuator - 1,600 psi
Part Number: K71-651-00


Features:
1,600 psi Suitable for disc brake applications
Large reservoir capacity
Solid state electronics
Requires a 4-wire hookup
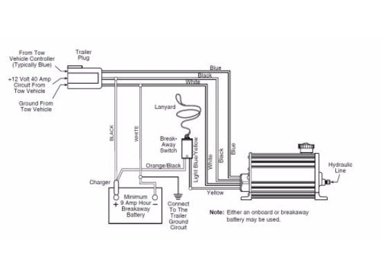
Wiring connections:
Yellow: cold side of breakaway switch; the wire that goes hot when a break occurs
Black: positive connection on breakaway switch; the wire that charges the breakaway battery
Blue: output from in-cab controller; the wire that provides power from your brake controller
White: ground

Requires:
a minimum 9 amp/hour breakaway kit
Meets or exceeds all Department of Transportation (DOT) regulations and federal braking requirements
Compatible with most electronic brake controllers that have electric over hydraulic brake function
Time base brake controllers are not recommended


Specs:
Dimensions: 11" long x 6" wide x 7" tall
Distance between mounting holes (center to center):
Horizontally: 2-1/2"
Vertically: 9-13/16"
Mounting hole diameter: 1/4"
3/8" Threaded female hydraulic fitting

The yellow wire must be attached to the breakaway unit for it to function when a breakaway occurs.



Wiring Diagram



***The unit turns off at night. in order to re-awaken the unit in the morning, the customer must apply the trailer brakes using the brake controller in the truck, perhaps twice (once should work, but twice for sure)
OR
Disconnect power from the unit, and reconnect to power.

Shipping

We ship quickly and carefully, with tracking provided on every order. Most items ship the same or next business day. Your parts will arrive safely and on time, ready to use.

Returns & Guarantee

Your satisfaction is guaranteed. Returns, refunds, and exchanges are accepted — no hassle. We stand behind every part we sell, so you can purchase with confidence.

Committed to Customer Service

At R and P Carriages, we believe in treating our customers like family. Whether you need a small replacement part or a complete trailer service, we’re here to help with friendly, expert support every step of the way.